汽車級功率模塊 工業級功率模塊 SiC系列功率模塊 光伏儲能功率模塊 IPM功率模塊 分立器件 晶圓
當前位置:首頁 産品信息 汽車級功率模塊 IGBT模塊 車(chē)用IGBT模塊(kuài)-A4系列
  • 車(chē)用IGBT模塊(kuài)-A4系列
車(chē)用IGBT模塊(kuài)-A4系列

車用IGBT模塊-A4

産品概述/General Description

  • 電壓等級:750V

  • 電(diàn)流等級(jí):400A/560A/600A/660A/750A

  • 電路拓撲:三相全橋

  • 微溝槽栅/場終止技術

  • 低飽和壓降

  • 低開關損耗

  • 高可靠性

  • 高RBSOA能力

應用領域/Applications:

  • 新能源汽車


産品參數


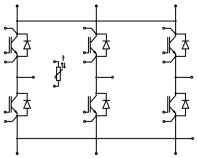
Circuit Diagram:

Full Bridge

Specification

RedPower

Part No.

HousingChip TechnologyV CES(V)I c(nom)(A)VCE(sat)(V)Size No.


RG400F08A4M7R_ESA4MPT-FS750 V400 A1.352


RG560F08A4M8R_E

A4MPT-FS750 V560 A1.352


RG660F08A4M8R_E

A4MPT-FS750 V660 A1.352


RG600F08A4M7R_E

A4MPT-FS750 V600 A1.352

image.png



RG750F08A4M8R_ETA4MPT-FS750 V750 A1.352


相關産品
回到頂部
微信 掃碼聯系我們